Strong Post

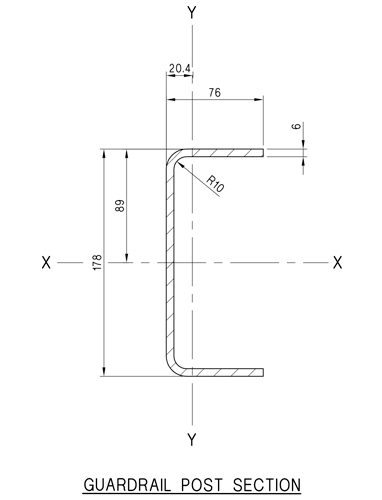
Guardrail Post Section

The strong post is based on a road-side solution which has stood the test of time.

A 178x76x6mm section ensures an inherent strength in the post and is the heart of our engineered solutions. 

Using this post helps to ensure you meet the engineering requirements of Australian Standards for building, car parks and gas tank standards. The post also meets the requirements of the low speed roadside systems in Victoria*

Structural Properties

Surface Mount Posts

Unlike systems using narrow base plates, the Armco® base plate is 300x300x12mm and engineered to resist both lateral & head on impacts. Narrow base plates have only been crash tested at 90 degree impacts.

The 12mm base plate is the minimum required to meet specifications.

The base plate is sold with FOUR (4) high tensile studs and proprietary brand chemical adhesive.  Four bolts assist with lateral and 90 degree impact strengths.

Benefits of the Armco® Post with Base Plate.

* Where required the posts are supplied without base plates for in-ground installation. If rammed 1.1m into suitable soil conditions these posts may have the same inherent strength as the post with base plate solution

In-Ground Posts

In roadside applications the usual method of installation is to ram the posts direct into local soil.

Our own crew uses a small pile driving machine to ram the posts into position.

Engineered Base Plate Fastening - 4 Hold down are always better.

Four Bolts are better than one or two.  Not only is it stronger it provides the same level  stability for the post in the lateral and perpendicular direction. 

The fastening system also features:

  • A minimum stud spacing of 220mm to reduce the risk of failure due to conical shear failure of the concrete.
  • Hi Tensile studs for greater tensile and shear strength.
  • The use of proprietary brand chemical adhesive.

Gallery